Grundfos UP 20-07 N 150 mm, 1x230V circulateur 59640506
Description
Convient a:
- Chauffage dans les bâtiments commerciaux et tertiaires
- Recirculation d’eau chaude sanitaire domestique
Les circulateurs Grundfos UP, UPS N ont un corps en acier
inoxydable et sont recommandés pour la recirculation d'eau chaude
sanitaire et le chauffage par le sol. UP, UPS N peuvent etre connectés
a une horloge pour limiter leur fonctionnement selon les besoins en
eau chaude.
Circulateur a rotor noyé. Hydraulique et moteur forment une unité
compacte sans garniture mécanique. Deux joints assurent
l'étanchéité. Les paliers sont lubrifiés par le liquide pompé.
La pompe est équipée de :
- Paliers radiaux et arbre en céramique.
- Butée axiale en carbone.
- Chemise rotor et support palier en acier inoxydable
- Roue résistante a la corrosion Composite.
- Corps de pompe Acier inox..
- Moteur 1-phasé. Aucune protection moteur externe n'est nécessaire.
Technique:
- Vitesse no: 1
- Débit nominal: 1.04 m3/h
- Hmt nom.: 0.43 m
- Hauteur max.: 7 dm
- Classe TF: 95
- Certifications: CE,VDE,EAC,WEEE
Matériaux:
- Corps de pompe: Acier inox.
EN 1.4301
AISI 304
- Roue: Composite
PES+30% GF
Installation:
- Plage température ambiante: 0 .. 80 °C
- Temp. amb. max. pour liquide a 80°C: 80 °C
- Pression maximale de service: 10 bar
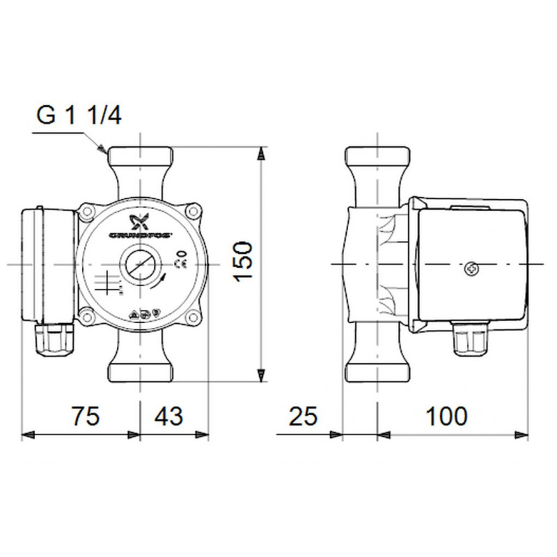
- Type raccordement: G
- Taille du raccordement: 1 1/4 inch
- Pression nominale pour le raccordement: PN 10
- Entraxe: 150 mm
Liquide:
- Liquide pompé: Eau
- Plage température liquide: 2 .. 110 °C
- Température liquide sélectionnée: 60 °C
- Densité: 983.2 kg/m3
Donnée électrique:
- Puissance absorbée en vitesse 3: 50 W
- Fréquence d'alimentation: 50 Hz
- Tension nominale: 1 x 230 V
- Intensité vit. 3: 0.24 A
- Capacité Condensateur - Fonctionnement: 4 µF
- Indice de protection (IEC 34-5): IP44
- Classe d’isolation (CEI 85): F
- Protection moteur intégrée: AUCUN
- Protection thermique: Impédance protégée
Autres:
- Position de la boîte a bornes: 9H
- Poids net: 2.04 kg
- Poids brut: 2.16 kg
- Volume d'expédition 0.004 m3
Photo d'illustration
Les images peuvent différer du produit/article original.
Documents
- Um nach Deutschland zu versenden, besuchen Sie Grundfos UP 20-07 N 150 mm, 1x230V Zirkulationspumpen, 59640506
- Um nach Österreich zu versenden, besuchen Sie Grundfos UP 20-07 N 150 mm, 1x230V Zirkulationspumpen, 59640506
- Magyarországra történő szállítás Grundfos UP 20-07 N 150 mm, 1x230V, 59640506
- Pro odeslání do Česka navštivte Grundfos UP 20-07 N 150 mm, 1x230V cirkulační čerpadlo, 59640506
- Aby wysłać do Polski odwiedź Grundfos UP 20-07 N 150 mm, 1x230V pompa cyrkulacyjna,59640506
- Pre odoslanie na Slovensko navštívte Grundfos UP 20-07 N 150 mm, 1x230V cirkulačné čerpadlo, 59640506
Avis (0)
Écrire un avis
Évaluation : Mauvais Bon
Saisir le code ci-dessous :
















