Grundfos MULTILIFT MOG station de relevage compacte avec pompe broyeuse 97901125
Description
Grundfos MULTILIFT MOG station de relevage compacte avec pompe broyeuse
La Grundfos MULTILIFT MOG est une station de relevage compacte de type « tout-en-un », conçue pour la collecte et l’évacuation des eaux usées domestiques dans les maisons individuelles ainsi que dans les petits bâtiments tertiaires. La pompe broyeuse intégrée permet le broyage des matieres solides afin d’assurer un refoulement fiable dans des conduites de petit diametre.
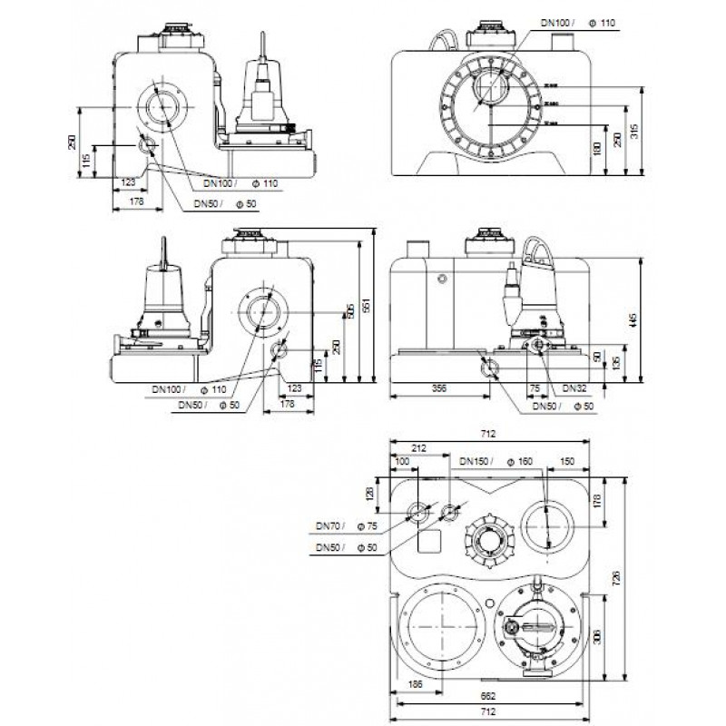
L’ensemble est équipé d’une cuve de collecte d’un volume total de 93 litres et est livré comme solution complete avec unité de commande. Grâce a sa conception compacte, sa fiabilité élevée et sa protection moteur intégrée, la MULTILIFT MOG constitue une solution idéale pour les installations situées en dessous du niveau de la canalisation.
Applications
- Eaux usées domestiques dans les maisons individuelles
- Eaux usées dans les bâtiments commerciaux de petite taille
- Relevage des eaux usées sous le niveau d’évacuation
- Systemes compacts de relevage avec broyeur intégré
Avantages
- Station de relevage compacte avec pompe broyeuse intégrée
- Cuve de collecte d’un volume total de 93 l
- Passage des particules solides jusqu’a 50 mm
- Unité de commande LC221.1 incluse
- Protection thermique moteur intégrée
- Installation simple et fonctionnement fiable
Caractéristiques techniques
| • Débit maximal | 4,4 l/s |
| • Hauteur manométrique maximale | 14,4 m |
| • Type de roue | Systeme de broyage |
| • Taille maximale des particules | 50 mm |
| • Température maximale du liquide | 40 °C |
Données électriques
| • Puissance absorbée P1 | 1,4 kW |
| • Puissance nominale P2 | 0,9 kW |
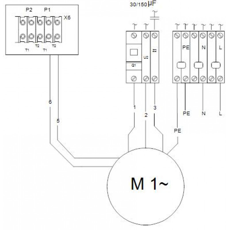
| • Tension nominale | 3 × 400 V |
| • Fréquence | 50 Hz |
| • Courant nominal | 2,7 A |
| • Nombre max. de démarrages/h | 60 |
| • Vitesse nominale | 2860 min?1 |
| • Indice de protection | IP68 |
| • Classe d’isolement | F |
| • Démarrage | Direct |
Unité de commande
| • Type | LC221.1 |
| • Mode de fonctionnement | S3-35 % / 1 min |
Cuve
| • Volume total de la cuve | 93 l |
| • Volume utile – entrée 180 mm | 23 l |
| • Volume utile – entrée 250 mm | 37 l |
| • Volume utile – entrée 315 mm | 50 l |
Contenu de la livraison
- Station de relevage Grundfos MULTILIFT MOG
- Pompe broyeuse intégrée
- Unité de commande LC221.1
Les images peuvent différer du produit/article original.
Documents
- Magyarországra történő szállítás GRUNDFOS Multilift MOG.09.3.2 szennyvízátemelő szivattyú, 400V 97901125
- Pro odeslání do Česka navštivte Grundfos Multilift MOG.09.3.2 čerpací stanice 400V 97901125
- Aby wysłać do Polski odwiedź GRUNDFOS Multilift MOG.09.3.2 Agregat podnoszący 400V 97901125
- Pre odoslanie na Slovensko navštívte Grundfos Multilift MOG.09.3.2 čerpacie stanice 400V 97901125
Avis (0)
Écrire un avis
Évaluation : Mauvais Bon
Saisir le code ci-dessous :




















